— 产品中心 —
PRODUCT CENTER
全国免费客服电话 17513496663 邮箱:1776172737@qq.com
手机:17513496663
电话:17513496663
地址:河南省太康县产业聚集地-17513496663
产品详情
LHS型立式生物质颗粒蒸汽发生器采用多管多回程设计,燃烧完全效率高,具有大容量半气化燃烧室,自动配风燃烧控制,配置烟气回收器,综合使用燃料燃烧效率≥90%,进料系统采用先进的螺杆旋转驱动进料装置,进料精准可调速,只需一次性将储料仓加满,自动调节上料,省时省力,不需要专业的司炉工人员。安全配置具有压力、缺水、安全阀等多重保护装置,实时显示运行状态,确保锅炉运行稳定、安全可靠。
1、进水系统采用导流式逆向进水方式,补给水从尾部余热回收器进入经过换热后进入发生器,从点火成功开始10分钟就可以出蒸汽,排烟温度很低。
2、引风系统:引风机采用专用低噪音、耐高温型长轴电机;配进口轴承,使用寿命长。
3、控制系统配用集成式微电脑控制系统,实现一键式操作,具有自动送料、自动点火、鼓风及引风程序参数的设置功能,大小火可以直接换挡调节。
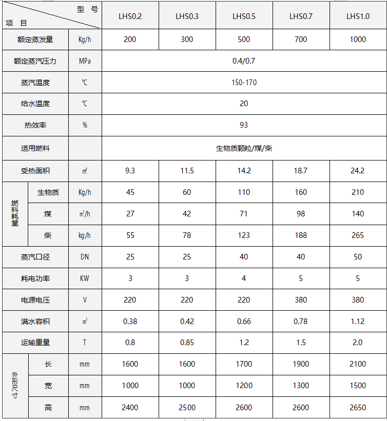
4、进料系统:进料系统的一级进料和二级进料之间形成空层并有挡火片,不存在出现回火现象,同时减缓进料系统负荷减少故障。产品参数

上一篇:来宾高压免检燃油气蒸汽发生器
截屏,微信识别二维码
微信号:17513496663
(点击微信号复制,添加好友)